As 2025 comes to an end, Emerwell extends our heartfelt gratitude for your continued trust and collaboration. As pioneers in liposomal technology, we look forward to advancing product innovation and further enhancing the efficacy of your formulations in 2026, particularly with our Liposomal Vitamin C, a key ingredient for next-generation wellness products.
Reflecting on 2025, our Liposomal Vitamin C has demonstrated groundbreaking progress in bioavailability and efficacy, thanks to our advanced liposomal encapsulation technology. By encapsulating natural Vitamin C in phospholipid bilayers, we ensure up to 8x higher bioavailability, allowing for better absorption and more effective cellular delivery compared to standard Vitamin C.

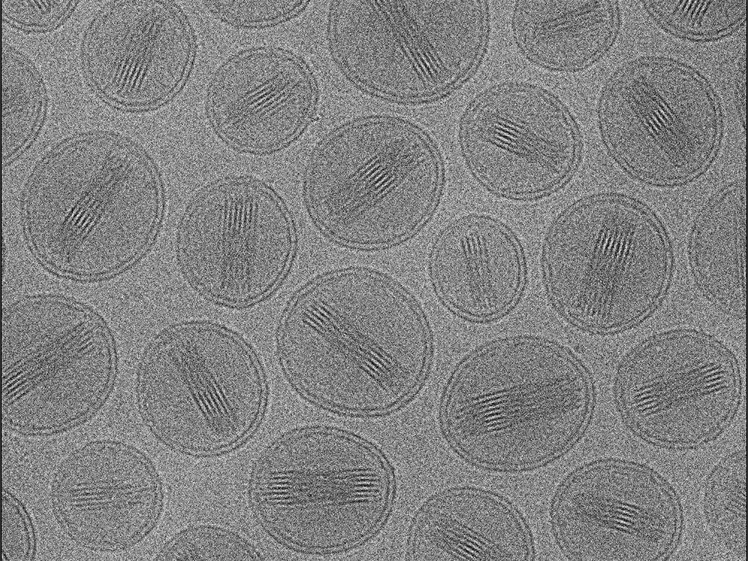
Our Electron Microscopy (EM) imaging and animal study results validate the superior performance of our liposomal formulations. These results clearly show the enhanced stability and retention of Vitamin C at the cellular level, confirming our liposomal solution's ability to significantly improve the effectiveness of Vitamin C in both nutraceuticals and cosmetics.
Looking ahead to 2026, the demand for highly bioavailable, natural ingredients like Liposomal Vitamin C will continue to rise. As consumers demand more effective, science-backed supplements and beauty-from-within products, liposomal delivery systems will be essential for maximizing ingredient potency and supporting overall health and beauty.
Liposomal Vitamin C is expected to become a key player in immune support, skin health, and anti-aging formulations. Its ability to enhance absorption and stability in formulations will make it a critical ingredient for developing premium, targeted products.

As we approach 2026, the time is right to embrace innovative delivery systems like liposomal encapsulation in your formulations. Whether you're developing immune-boosting supplements, anti-aging skincare, detox products, or other wellness solutions, the shift towards advanced, bioavailable natural ingredients will drive the future of the industry. Liposomal technology can elevate the performance and stability of your products, helping you stay competitive in a rapidly evolving market. By integrating these advanced solutions, you can meet the growing consumer demand for effective, science-backed, and sustainable health products.
EmerWell is committed to providing innovative solutions, comprehensive R&D support, and a reliable global supply chain. As we look forward to 2026, we invite you to partner with us and harness the power of Liposomal Vitamin C to stay ahead of the competition. Together, we can create products that meet the evolving needs of the health, wellness, and beauty markets.
Email: info@emerwell-bio.com
Have a project in mind? Tell us your goals — we’ll help you make it real.